一、防爆氣象儀產品簡介
防爆氣象儀又稱氣象監測儀、微氣象儀、防爆風速風向儀,防爆氣象儀可以用在化工廠、油庫、隧道、礦井等易燃易爆的特殊場景,針對化工廠、油庫等而研發生產的一款一體化風速風向儀。山東水境傳感科技有限公司作為專業研發生產銷售一體化防爆氣象傳感器的企業,一直致力于微型氣象儀和氣象環境解決方案推廣應用。具有完整的生產鏈、實力雄厚的技術團隊和全面的營銷團隊,我們研發生產的超聲波防爆風速風向儀、防爆氣象儀等氣象產品,已廣泛應用到化工廠、油庫、隧道、礦井等領域,客戶遍布全國各地,并取得了良好的社會效益和經濟效益。與傳統的微型氣象儀相比,我司產品克服了對高精度計時器的需求,避免了因傳感器啟動延時、解調電路延時、溫度變化而造成的測量不準問題。防爆氣象儀創新性地將風速、風向、溫度、濕度、大氣壓力通過一個高集成度結構來實現,可實現戶外氣象參數24小時連續在線監測,通過數字量通訊接口將五項參數一次性輸出給用戶。
二、防爆氣象儀產品特點
1、頂蓋隱藏式超聲波探頭,避免雨雪堆積的干擾,避免自然風遮擋
2、原理為發射連續變頻超聲波信號,通過測量相對相位來檢測風速風向
3、風速、風向、溫度、濕度、大氣壓力五要素一體式
4、采用先進的傳感技術,實時測量,無啟動風速☆
5、抗干擾能力強,具有看門狗電路,自動復位功能,保證系統穩定運行
6、高集成度,無移動部件,零磨損
7、免維護,無需現場校準
8、采用ASA工程塑料室外應用常年不變色
9、產品設計輸出信號標配為RS485通訊接口(MODBUS協議);可選配232、USB、以太網接口,支持數據實時讀取☆
10、可選配無線傳輸模塊,最小傳輸間隔1分鐘
11、探頭為卡扣式設計,解決了運輸、安裝過程松動不準的問題
三、防爆氣象儀技術參數
1、風速:測量原理超聲波,0~60m/s(±0.1m/s)分辨率0.01m/s;
2、風向:測量原理超聲波,0~360°(±2°);分辨率:1°;
3、空氣溫度:測量原理二極管結電壓法,-40-60℃(±0.3℃),分辨率0.01℃;
4、空氣濕度:測量原理電容式,0-100%RH(±3%RH),分辨率:0.1%RH;
5、大氣壓力:測量原理壓阻式,300-1100hpa(±0.25%),分辨率0.1hpa;
6、生產企業具有ISO質量管理體系、環境管理體系和職業健康管理體系認證
7、生產企業具有計算機軟件注冊證書
8、生產企業為3A級信用企業
9、生產企業具有Ex ia IIC T4 Ga高等級防爆證書
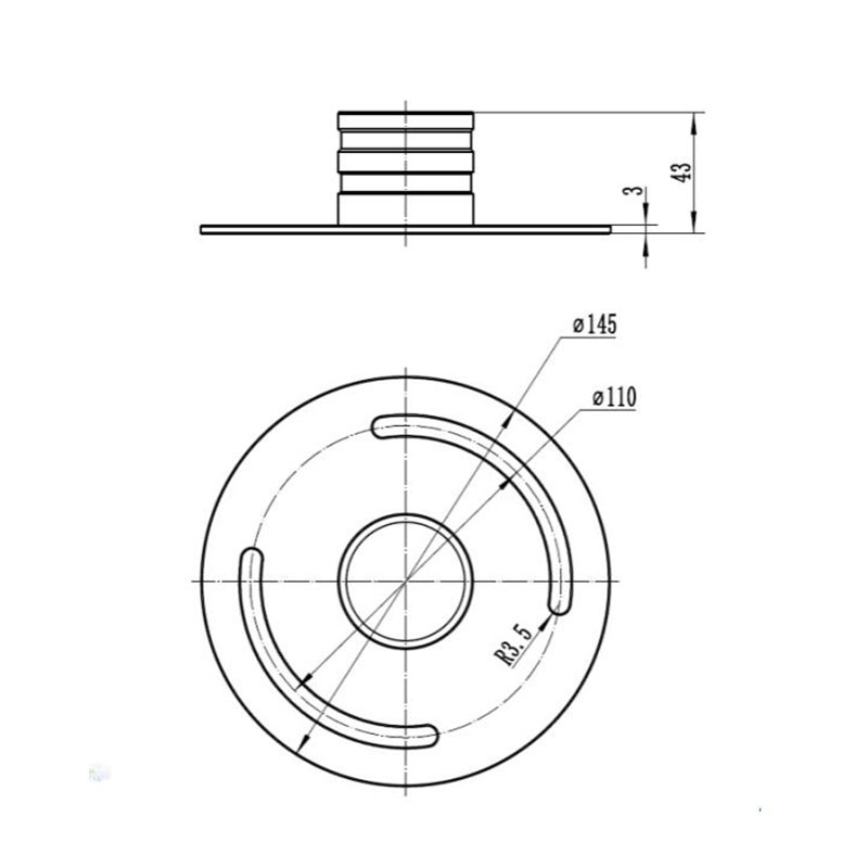
四、防爆氣象儀產品尺寸圖
五、防爆氣象儀產品結構圖
1、控制電路
2、指北箭頭
3、超聲波探頭
4、百葉箱
5、溫度、濕度、氣壓監測位置
6、底部固定法蘭
此產品可選配電子羅盤、GPRS(內置)/GPS(二選一)
六、防爆氣象儀產品接線定義

VCC:棕色,GND:黑色,485A:綠色,485B:藍色
七、防爆氣象儀法蘭盤固定方式
1、微氣象儀
2、固定螺釘
3、通信電纜+航插
八、防爆氣象儀法蘭盤尺寸
